
服務熱線
當前位置:首頁>媒體中心>產品百科>選煤廠生產工藝之選煤方法及工藝流程
來源: 發表時間:2015-06-02 10:16:20 點擊次數:【】
(1)選煤廠生產工藝之選煤方法
選煤方法是利用煤的物理性質與物理化學性質與雜質不同來進行分選的。目前常用的選煤方法主要有跳汰選、重介選和浮選等,此外,還有槽選、搖床選和風選。
下面介紹一下跳汰選、重介選和浮選的原理。
①跳汰選基本原理:原煤在變向垂直運動的水流中,因煤與雜質的比重不同,下沉速度也不同。經過一段時間后,即呈分層現象,比重大的在下部,比重小的在上部,從而達到分選的目的。跳汰選處理精度很寬,甚至對不經篩分物料的沃選效率仍很高。
②重介選基本原理:為把精煤和殲石分開,采用了一種比重較高的水溶液,稱為重介質。重介質的主要特點是比重大于精煤而小于矸石等雜質,故在重介質中精煤上浮而矸石下沉,從而實現分選。重介選的關鍵在于控制重介質的比重。
③浮選基本原理:浮選主要用來分選煤泥。根據煤與雜質的物理化學性質不同,經過某種藥別處理后,在兩相介面上就能產生選擇性的附著。例如,精煤顆粒附著在氣泡上,隨氣泡上浮;而雜質顆粒不能吸附,下沉至底部,從而達到分選的目的。
選煤廠通常采用跳汰選、浮選。極難選煤、塊煤中含矸量大的煤和較訣的煤種,一般采用重介選。含黃鐵礦多的稀缺煤種,其末煤可用搖床選。小型選煤廠中,對易選的非煉焦用煤可采用槽選,在—定的條件下也可考慮采用風選。
(2)選煤廠生產工藝之工藝流程
針對不同的浮選對象,將各種選煤方法合理組合,妥切銜接,就能形成可行的選煤工藝。常見的幾種工藝流程如下:
1)跳汰一浮選工藝流程見圖4.5-1。它是最常見的選煉焦用煤的工藝流程。

2)主選跳汰一再選重介族流器一浮選工藝流程見圖4.5-2。為提高煉焦煤回收率,中煤含量大的煉焦煤可采用這種流程。

3)塊煤重介—末煤跳汰一浮選工藝流程見圖4.5-3。塊煤含量多的中等可選性和難選的煉焦煤,常采用這種流程。

4)塊煤重介(代替手選)工藝流程見圖4.5-4。塊煤含量多的煤,特別是露天開采的原煤,為取消繁重的揀殲作業,有效地提高煤質.并充分回收煤炭資源,常采用這種流程。

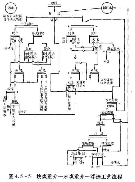
5)塊煤重介一未煤重介一浮選工藝流程見圖4.5-5。這種流程適用于難選煤、極難選煤或較稀缺的煉焦用煤。

上一篇:選煤廠生產工藝之選煤廠的分類
下一篇:選煤廠生產工藝之工藝系統與總平面布置